Egy kis segítség tanuláshoz, dolgozathoz
A Hf-okat A4-es lapokra kérem, nem a füzetbe, és nem onnét kitépett lapokra!
Ha az iskolában vagyok, bármikor megkereshetsz, és átnézem, hogy jó-e, vagy kell-e javítani!
Lenti Zsolt
Gyakorló feladatok
(2020/2021-es tanév):
10/A mechanika
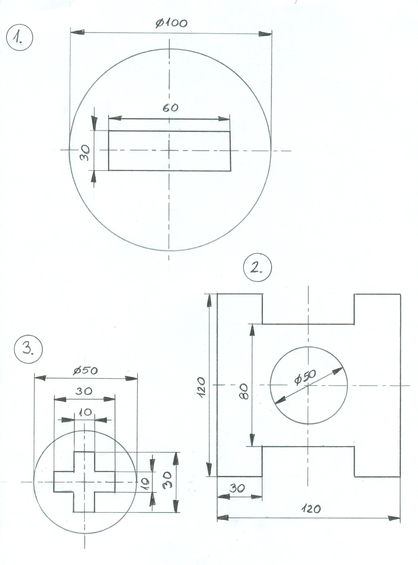
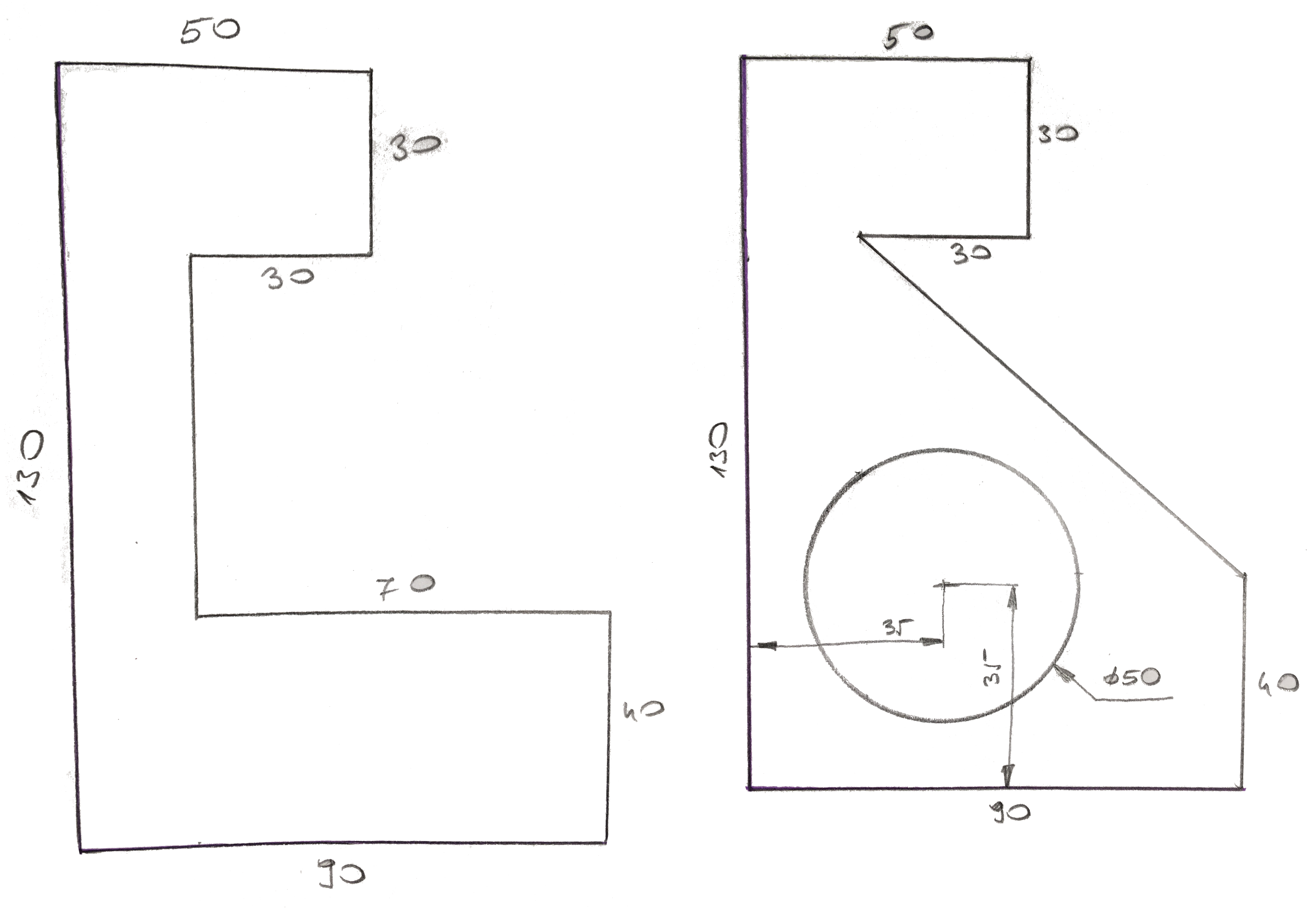
2020. 10. 21. 1. megoldott; 2. megoldott; 3. beadandó; 4. beadandó;
1/13/V mechanika-gépelemek
2020. 09. 17. Eredő erő meghatározása
Gyakorló feladatok
(2019/2020-as tanév):
9/A mechanika
2020. 03. 17. Tartó-1 Tartó-2 (Az ötből négy szabadonválasztható!) Szerkesztéssel, számolással a reakció erők és a max nyomaték.
2020. 03. 02. Konzolos tartó
2020. 02. 18. Konzolos tartó (megoldás)
2020. 02. 04. Kéttámaszú tartó (Az első 4-ből 3 db) (5. megoldása)
2020. 01. 21. Kéttámaszú tartó
2020. 01. 07. 1. feladat; 2. feladat; 3. feladat; 4. feladat
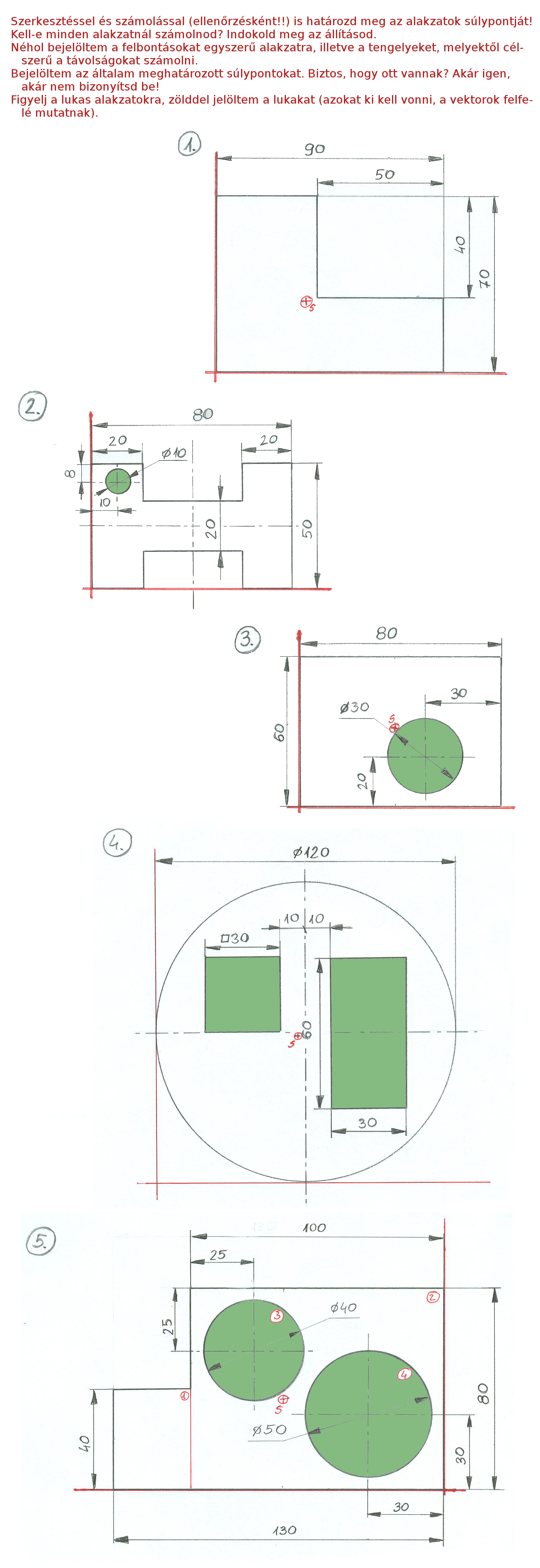
2019. 12. 10. Súlypont meghatározás
2019. 11. 12. Párhuzamos erők eredőjének meghat.
2019. 10. 16. Órai feladatok megoldása
2019. 09. 17. Eredő erő meghatározása (1. megoldása)
10/B mechanika
2020. 03. 20. Szilárdsági méretezés
2020. 03. 06. Tartó szilárdsági méretezése hajlításra
2020. 02. 21. Másodrendű nyomaték; Hajlító igénybevétel
2020. 02. 07. Keresztmetszeti tényező; Szilárdsági számolás
2020. 01. 15. Szilárdsági méretezés
2020. 01. 10. Szilárdsági méretezés (húzás-nyomás, nyírás)
2019. 11. 15. Tartók (Szorgalmi eredmények)
2019. 10. 18.
2019. 10. 04. Befogott tartó (az ötből szabadon választott négyet kell megcsinálni)
2019. 09. 20. Megoszló terheléses feladatok (végeredmények)
3/15-esti autós mechanika, műszaki rajz
2019. 11. 19. Mechanika 1. lap; 2. lap
Műszaki rajz
2019. 09. 24. Az 1-4 feladatot elégmegcsinálni
2019. 10. 09. Súlypont; Kéttámaszú feladatok; Kéttámaszú megoldás
(4. megoldása); Kéttámaszú megoldás 2;
Vetületi ábrázolás 1. lap, 2. lap
(2018/2019-es tanév)
9/B mechanika
2019. 05. 27. Mindkét feladat gondolkodást igényel
4 konzolos feladat dolgozathoz (Vannak eredmények ellenőrzéshez.)
2019. 05. 13. Konzolos tartó
2019. 04. 29. Megoldások: 1-es FA=1,75 [kN], FB=3,25 [kN], 2-es FA=8 [kN], FB=8 [kN] 5. megoldása
2019. 04. 01. Nem áprilisi tréfa a határidő! (Van végeredmény ellenőrzéshez, de én is tévedhetek.)
2019. 03. 04. Súlypont meghatározás számolással. Dolgozat lesz (szerkesztéssel, számolással)!
2019. 02. 18. Házi feladat számolással
2019. 02. 04. Házi feladat szerkesztéssel
2019. 01. 21.
10/B mechanika
2019. 06. 03. Ezzel van három feladatotok
2019. 04. 08. (DÖK nap, így előtte kérem. Hozd előtte, átnézzem!)
2019. 03. 25.
2019. 01. 28. Dolg (egyszerűbb szerkesztéssel, számolással, bonyolultabb)
2018. 09. 24-ére
2018. 10. 08-ára (szerkesztéssel, számolással)
2018. 11. 05. (Dolgozatra készülj)
11/A szakmai elméleti előkészítő
2018. 09. 24-ére (1. feladat; 2. feladat)
2018. 10. 02-ára
2018. 10. 20-ára (órai; 1. feladat; 2. feladat; 3. feladat)
2018. 11. 06-ára órai (órán szabadkézzel, hf. szerkesztve)
(2017/2018-as tanév)
9/B Műszaki rajz
1. feladat
9/B Mechanika
1-2-3. feladat 1. feladat megoldása szerkesztéssel; végeredmények
4-5. feladat (Gondolkodtató feladatok.)
6-7. feladat
8-9. feladat (befogott tartók)
4. feladat (A 2. feladat nem kell.)
10/A Műszaki rajz
2. feladat
3. feladat Az előlnézet helyén 2 db teljes metszet legyen.
5. feladat Félnézet-félmetszet
6. feladat megoldás
7. feladat 1-es alkatrészről műhelyrajz, az összesről összeállítási rajz
10/A Mechanika
1-2-3. feladat 1. feladat megoldása szerkesztéssel; végeredmények
4-5. feladat (Gondolkodtató feladatok.)
6-7. feladat
8-9. feladat (befogott tartók)
4. feladat
mechanika
9/B 2018. 05. 02-ára (Mind a három szerkesztéssel, számolással!)
10/A 2018. 04. 10-ére (Készülj dolgozatra szilárdságtanból!)
10/A 2018. 03. 07-ére
9/B 2018. 03 07-ére (Szerkesztéssel az 1. feladat szerdára.)
10/A 2018. 03. 07-ére
9/B 2018. 03 05-ére Megoldások: 1-es FA=1,75 [kN], FB=3,25 [kN], 2-es FA=8 [kN], FB=8 [kN] 5. megoldása
10/A 2018. 02. 21-ére; 12/A 2018. 02. 20-ára
9/B 2018. 02. 07-ére
9/B 2018. 02. 05-ére Megoldások: 1. feladat; 2. feladat
9/B 2018. 01. 22-ére 2018. 01. 24-ére (Készülj dolgozatra súlypontszámításból!)
10/A 2018. 01. 24-ére (Készülj dolgozatra tartókból!)
11/A 2018. 01. 19-ére; 12/A 2018. 01. 23-ára
9/B 2018. 01. 08-a; 11/A 2018. 01. 03-a; 12/A 2018. 01. 09-e
10/A 2018. 01. 10-e
9/B 2017. 12. 11-ére, 12/A 2017. 12. 11-én reggel (12-es terembe)
9/B 2017. 11. 27-ére, plusz a múlt órai elmaradásotok
12/A 2017. 11. 28-ára kéttámaszú tartó megoszló terheléssel 2.); 3.) feladat
11/A 2017. 11. 24-ére kéttámaszú tartó megoszló terheléssel 2.); 3.) feladat
10/A 2017. 11. 15-ére, (még egy óra gyakorlás, utána dolgozat!!!)
11/A-sok minél többet oldjanak meg 2017. 11. 08-ára
12/A-sok minél többet oldjanak meg 2017. 11. 14-ére
- konzolos kéttámaszú tartók koncentrát erőkkel
- kéttámaszú tartók megoszló, és vegyes terheléssel
9/B 2017. 11. 13-ára
- közös pontban metsződő síkbeli erőrendszer
10/A 2017. 10. 18-ára
- kéttámaszú tartók (5. megoldása); 1-es FA=1,75 [kN], FB=3,25 [kN], 2-es FA=8 [kN], FB=8 [kN]
9/B 2017. 10. 16-ára
- statikai alapfogamak
- kényszerek (mit kell tudni róluk, mindegyikre írj több példát)
műszaki rajz
9/B 2018. 05. 29-ére (3-3-3 db szabadon választott méretekkel, méretezve)
9/B 2018. 04. 17-ére
10/A 2018. 04. 10-ére (Készülj dolgozatra menetábrázolásból!)
10/A 2018. 03. 07-ére
9/B 2018. 03. 06-ára 2018. 03. 20-ára
12/A 2018. 01. 09-ére 2018. 01. 23-ára
11/A 2018. 01. 03-ára 2018. 01. 19-ére
10/A 2018. 01. 10-ére 2018. 01. 24-ére
9/B 2018. 01. 09-ére 2018. 01. 23-ára
9/B 2017. 12. 11-ére
12/A 2017. 11. 28-ára
10/A 2017. 11. 15-ére (következő órán menet ábrázolásából dolgozat)
11/A-sok 1. feladat 2017. 11. 08-ára
12/A-sok 1. feladat 2017. 11. 14-ére
- Menet ábrázolás, felületi minőségenet ábrázolás, felületi minőség
9/B 2017. 11. 14-ére (dolgozat vetületi ábrázolásból)
- 1. feladat; 2. feladat; 3. feladat
9/B 2017. 10. 17-re
- egy A4-es lap betűírás
- Tk. 24. old. 1; 4; 6-os rajz
- Tk. 30. old. 1; 2; 4-es rajz (elöl, felül, bal és jobboldal nézet; 4-4 sarok jelölése)
10/A 2017. 10. 18-ára
- Tk. 111. old. 1; 2; 4; 5-ös rajz
- Csavarmenet ábrázolása 3 db rajz
2017-2018-as tanévre
mechanika
gyakorló feladatok01
gyakorló feladatok02
Hf. 1/13/2 2016. 10. 03. és a 10.a 2016. 10. 07.
Hf. 1/13/2 2016. 10. 21. és a 10.a 2016. 11. 18.
Hf. 1/13/2 2016. 11. 18. és a 10.a 2016. 12. 02.
Hf. 1/13/2 2016. 12. 02. és a 10.a 2016. 12.09.
HF. 1/13/2 2016. 12. 09. és a 10.a gyakorlás
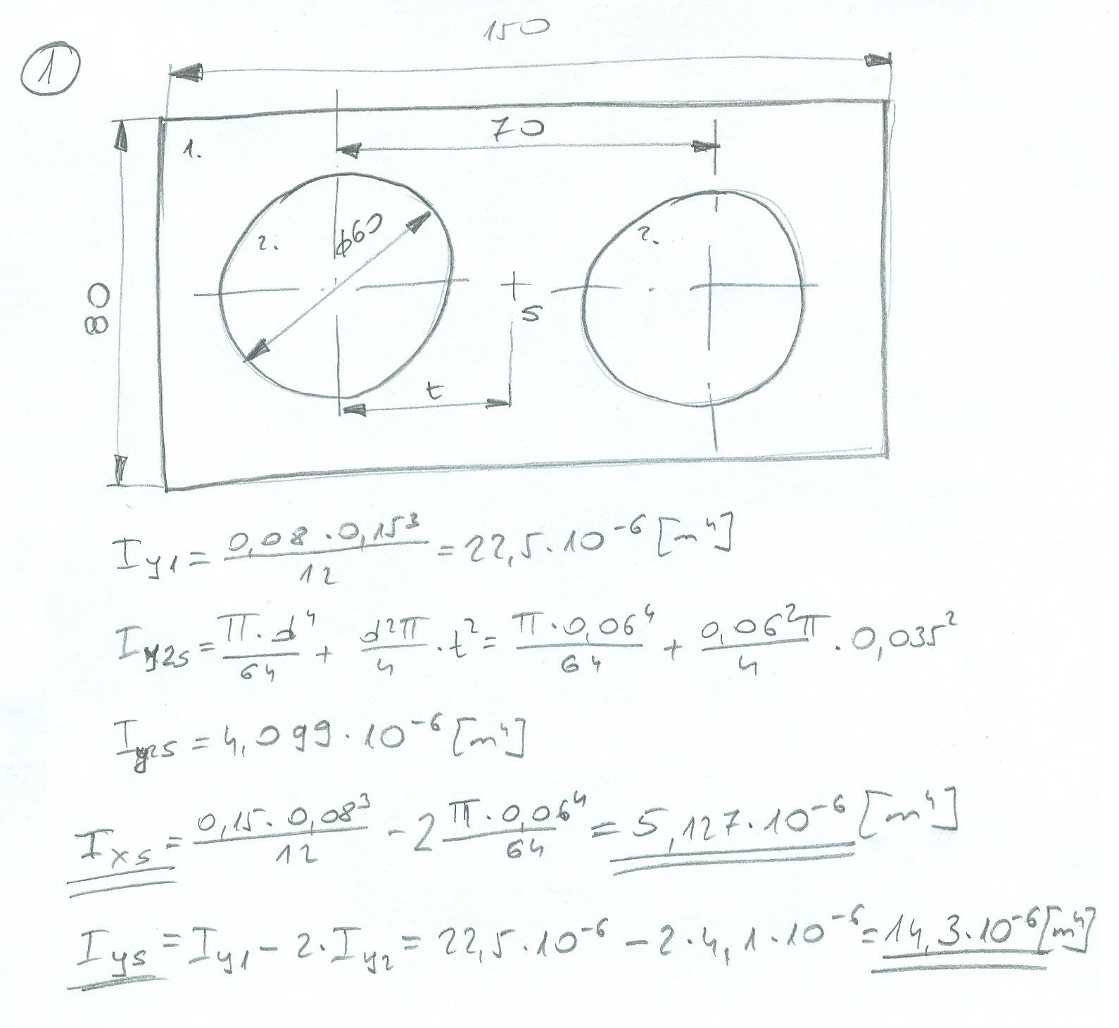
segédlet súlypont számításhoz
HF. 1/13/2 2017. 01. 06. és a 10.a (Kéttámaszú tartók) [megoldás - 4.]
HF. 1/13/2 2017. 01. 13. és a 10.a
HF. 1/13/2 2017. 01. 20. és a 10.a
HF. 1/13/2 2017. 01. 27. és a 10.a (Az 1. feladatnál F1=2 kN) Végeredmények
HF. 1/13/2 2017. 02. 03. és a 10.a Végeredmények, megoldások
HF. 2017. 02.17. 10.a (dolgozat lesz) és az 1/13/2 (Azért, mert dolgozat volt ...? Ezt folytatjuk órán.) Végeredmények, megoldások
HF. 2017. 02.24. 10.a (szerkesztéssel, számolással) és az 1/13/2 (számolással, de a szerkesztést is megpróbálhatod - díjazom)
HF. 2017. 03, 03. 10.a és az 1/13/2-autós (Még egy alaklom a gyakorlásra, és 24-én dolgozat a tartókból.) [Két feladat: kéttámaszú / konzol, befogott; koncentrált és megoszló terheléssel is.]
2017. 03. 10. Gyakorlás dolgozat előtt sok-sok variációban.
HF. 2017. 04. 07. (megoldás, de előbb old meg és ellenőrizd) A feladatok megoldásához használd a Tk. Függellékét. Úgy darabold "elemi" részekre (hozzáadod, kivonod), hogy az adott elem súlyponti tengelye és a hajlítás tengelye egy vonalba essen.
HF. 2017. 04. 21. (megoldás) 10.a és az 1/13/2-autós osztályok. Egyelőre nincs megoldás, hogy számoljatok.
HF. 2017. 04. 28. 10.a és az 1/13/2-autós osztályok (szokásos). Egyelőre ennyi. Reménykedj, hogy nem marad időm, és nem lesz harmadik feladat. Az elméletet se feledd, a Tk. 87-91. oldalán. Az ellenőrző kérdésekkel is fogalkozhatsz! :)
HF. 2017. 05. 05. 10.a és az 1/13/2-autós osztályok (szokásos).
gépelemek, géptan
gépelemek, géptan01
műszaki rajz
9.A HF 2016. 10. 03.
2016. 11. 14.
2016. 11. 28.
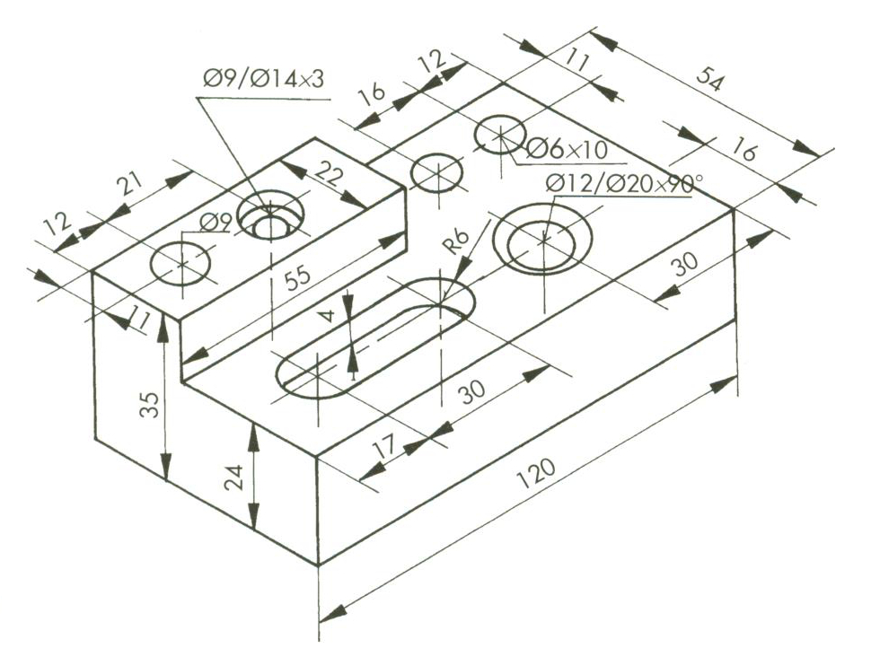
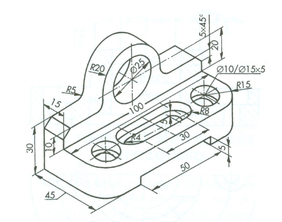
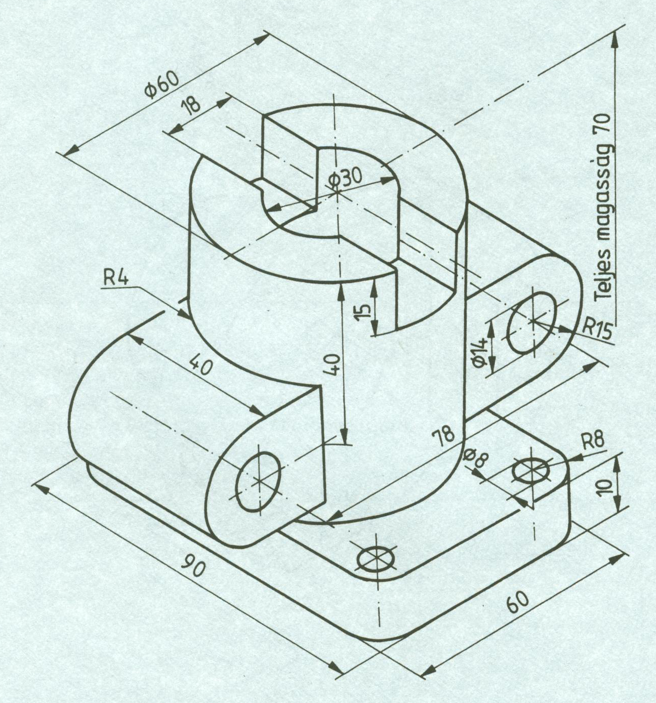
2017. 01. 09. metszetek (A "B" feladatnál minden horony 5 mm mély.)
2017. 01. 23. Előző HF, de méretezni is kell.
2017. 02. 06. Méretezett metszeti rajzok készítése
2017. 02. 20. Méretezett metszeti rajzok készítése (keret, szabványírás)
2017. 04. 03. 1. feladat; 2. feladat; 3. feladat;
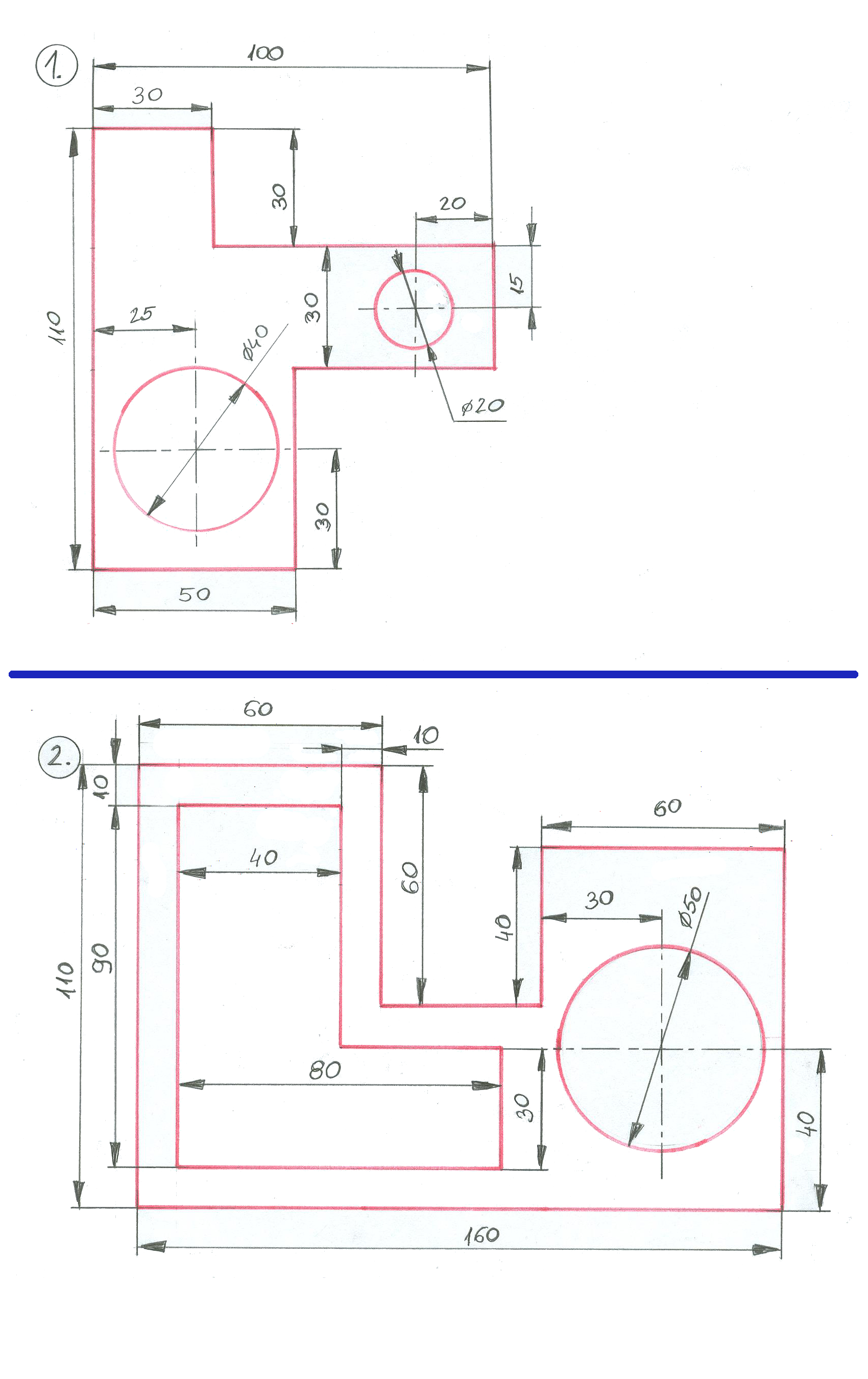
Keresd meg az axonometriához tartozó elől, oldal és felül nézetet. Mindegyik feladatból egyet válassz ki, és szerkeszd meg méretarányosan (a méreteket te választod meg), méretezd be és legalább két méretet tűrésezz is.



